Engine and transmission
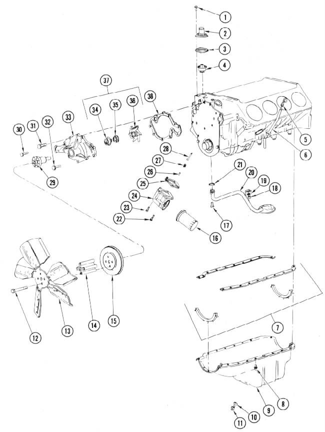
Engine block, etc.
| 23. | Flex plate | -- | -- | $ 85.00 | ||
| 46. | Harmonic balancer sleeve | -- | -- | 48.00 | ||
| 47. | Harmonic balancer | -- | -- | 48.00 | ||
| Timing cover plate | 95.00 | |||||
| Battery hold-down | -- | -- | 65.00 | |||
| Figure E-1 |
Oil and coolant system
| 5. | Engine dip stick | -- | -- | $ 28.00 | ||
| 6. | Engine dip stick tube | -- | -- | Inquire | ||
| 9-11. | Engine oil pan with plug ......(rear sump, includes 18-20) | -- | -- | Inquire | ||
| 18-20. | Engine oil pick up tube and screen | -- | -- | Inquire | ||
| 24. | Oil pump assembly | -- | -- | 55.00 | ||
| 29&33. | Water pump | -- | -- | 45.00 | ||
| Radiator | 125.00 | 150.00 | ||||
| Coolant overflow jug | 35.00 | 45.00 | 55.00 | |||
| Figure E-2 |
Cylinder heads
| Inquire for availability and price. | ||||||
| Figure E-3 |
Exhaust system
| - | Left exhaust manifold ....Remanufactured.... Has original casting numbers | -- | -- | 325.00 | ||
| ........and markings | ||||||
| ..........( price doesn't include $45.00 core charge. Core charge is refunded when | ||||||
| ..........a remanufacturable core is returned. Usable core is not broken in half, or | ||||||
| ..........have more than two cracks, or have a crack that shows signs of metal | ||||||
| ..........flaking/corrosion) | ||||||
| - | Left exhaust manifold ......Nice used original (see above for core details) | -- | -- | 225.00 | ||
| Left exhaust manifold .....New Aftermarket..... | 275.00 | |||||
| ..........Does not have original numbers, etc. No core charge, but | ||||||
| ..........I will pay $45.00 for good original core. | ||||||
| - | Right exhaust manifold | -- | -- | 125.00 | ||
| 1. | Left hand exhaust pipe from manifold to adapter | -- | -- | 45.00 | ||
| 2. | Right hand exhaust pipe from manifold to adapter | -- | -- | 45.00 | ||
| A. | Heat riser valve assembly ......(non E.F.I.) | -- | -- | 48.00 | ||
| 3. | Cast iron adapter .......(T-collector) | -- | -- | 75.00 | ||
| 8. | Adapter support | -- | -- | 25.00 | ||
| 4. | Catalytic converter | -- | -- | N.A. | ||
| 5. | Pipe | -- | -- | 32.00 | ||
| E. | Catalytic converter/pipe support rubber mount .......(rubber mount only) | -- | -- | 48.00 | ||
| 6. | Muffler | -- | -- | 48.00 | ||
| G. | Muffler support | -- | -- | 25.00 | ||
| 7. | Resonator with tail pipe | -- | -- | 95.00 | ||
| H. | Resonator support | -- | -- | 22.00 | ||
| Illustration for above parts |
Above prices are for each part sold separately. Support brackets purchased with adjoining part would result in reduced price.
Carburetor and air filter asm
| 2. | Carburetor air cleaner housing .......(carbureted car) | $45.00 | 55.00 | 65.00 | ||
| Fuel injected car air cleaner lid | 55.00 | 75.00 | 95.00 | |||
| Fuel injected car air cleaner lower housing | -- | -- | 100.00 | |||
| 3. | Carburetor air cleaner sensor | -- | -- | 32.00 | ||
| 4. | Carburetor air cleaner vacuum motor assembly .......(diaphragm) | -- | -- | 32.00 | ||
| 6. | Plastic Elbow ...... (heat tube to air cleaner) | -- | -- | 32.00 | ||
| 7. | Stove tube | -- | -- | 22.00 | ||
| 11. | Carburetor | -- | -- | 125.00 | ||
| 16. | Intake manifold ......(carb. engine) | -- | -- | 95.00 | ||
| 18. | Left exhaust manifold .........(see exhaust system above) | -- | -- | -- | ||
| - | Right exhaust manifold ......(see exhaust system above) | -- | -- | -- | ||
| 22. | Air pre-heater stove | -- | -- | 32.00 | ||
| 24. | Fuel pump | -- | -- | 45.00 | ||
| 28. | Tube pump to carburetor | -- | -- | 22.00 | ||
| Figure E-4 |
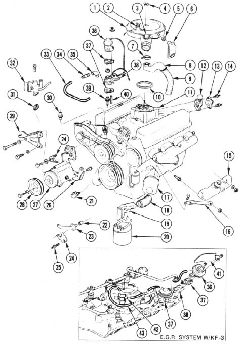
Emission control system
| 17. | Fresh air inlet resonator | -- | $48.00 | 65.00 | ||
| 18. | Fresh air inlet hose | -- | -- | 25.00 | ||
| 19. | Fresh air inlet plastic duct | -- | -- | 25.00 | ||
| 20. | E.E.S. canister | -- | -- | 55.00 | ||
| 21. | Early evaporator fuel vacuum switch | -- | -- | 48.00 | ||
| 23. | A.I.R. manifold | -- | -- | 45.00 | ||
| 26. | A.I.R. mounting bracket | -- | -- | 28.00 | ||
| 27. | A.I.R. pump | -- | -- | 48.00 | ||
| 28. | A.I.R. pump pulley | -- | -- | 28.00 | ||
| 29. | A.I.R. front mounting bracket | -- | -- | 28.00 | ||
| 32. | A.I.R. air diverter valve | -- | -- | 55.00 | ||
| 34. | Positive crank case vent valve | -- | -- | 28.00 | ||
| 36. | E.G.R. valve | -- | -- | 45.00 | ||
| 38. | Back pressure transducer E.G.R. valve | -- | -- | 95.00 | ||
| -- | Fuel line, from pump to carborater | -- | -- | 22.00 | ||
| -- | Fuel efficiency sensor ......(mounted on firewall) | -- | -- | 48.00 | ||
| Figure E-5 |
Accelerator linkages
First type
| 16. | EFI throttle cable | -- | -- | $ 48.00 | ||
| - | Carburetor throttle cable | -- | -- | 35.00 | ||
| 22. | Transmission kick down switch | -- | -- | 35.00 | ||
| Ilustration for above |
Second type
| 12. | EFI throttle cable | -- | -- | $ 48.00 | ||
| - | Carburetor throttle cable | -- | -- | 35.00 | ||
| 16. | Transmission kick down switch | -- | -- | 35.00 | ||
| Ilustration for above |
Electronic Fuel Injection System
Throttle Body
| 1. | Fast idle switch ........(when available - inquire) | -- | -- | 150.00 | ||
| 2-5. | Fast idle valve assembly | -- | -- | 48.00 | ||
| 6-8. | Throttle body | -- | -- | 45.00 | ||
| 9. | Throttle position switch | -- | -- | 48.00 | ||
| EFI Distributer | -- | -- | 125.00 | |||
| Speed control switch | -- | -- | 48.00 | |||
| Control Module | 38.00 | |||||
| Throttle body illustration |
Fuel rails, injectors, and brackets
| 1. | Front tube assembly | -- | -- | $ 35.00 | ||
| 2. | Right fuel rail | -- | -- | 48.00 | ||
| 3. | Left fuel rail | -- | -- | 48.00 | ||
| 4. | Rear tube assembly | -- | -- | 32.00 | ||
| 12. | Fuel injector | -- | -- | 38.00 | ||
| 15. | Fuel regulator | -- | -- | 55.00 | ||
| Air Temperature sensor ............................NOS | 125.00 | |||||
| Air Temperature sensor .... (nice used) | 98.00 | |||||
| Water Temperature sensor .......................NOS | 125.00 | |||||
| Water Temperature sensor ... (nice used) | 98.00 | |||||
| - | EFI Fuel tank .........(without float/sending unit) | -- | -- | 250.00 | ||
| - | EFI fuel tank float and sending unit | -- | -- | 95.00 | ||
| - | EFI fuel tank float and sending unit PRIMARY PUMP | -- | -- | 45.00 | ||
| Fuel rail, etc. illustration |
Fuel injection computer and wiring harness
| - | Engine upper wiring harness | -- | -- | $125.00 | ||
| 18. | Transmission down shift switch | -- | -- | 38.00 | ||
| 30. | Thermo vacuum switch | -- | -- | 58.00 | ||
| - | E.F.I. computer .......(not currently available) | |||||
| E.F.I wiring harness illustration |
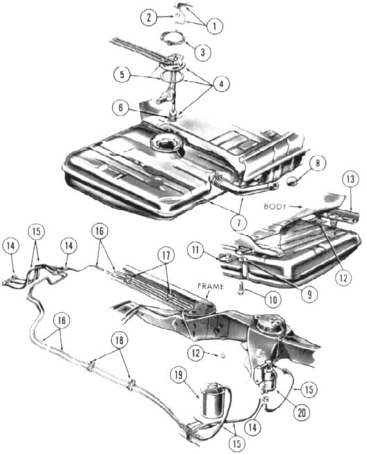
Fuel tank, float, pump, and sending units
E.F.I. Engine
| 1. | Rear frame mounted pump | -- | -- | $ 75.00 | ||
| 20. | In tank float and sending unit | -- | -- | 95.00 | ||
| - | In tank float and sending unit primary | -- | -- | 45.00 | ||
| 24. | Fuel tank ....(without float/sending unit) | -- | -- | 250.00 | ||
| 33. | Filter assembly | -- | -- | 45.00 | ||
| 42. | Pressure regulator | -- | -- | 55.00 | ||
| Illustration for above items |
Carburetor Engine
| 4. | Float and sending unit | -- | -- | $ 65.00 | ||
| 7. | Fuel Tank ....(without float/sending unit) | -- | 165.00 | 195.00 | ||
| 19. | Charcoal canister | -- | -- | 38.00 | ||
| 20. | Fuel pump | -- | -- | 38.00 | ||
| Illustration for above items |
Final drive, transmission, and axles
Final drive and axle shafts
| - | Final drive | -- | -- | $95.00 | ||
| - | Axle out board large castle nut and washer | -- | -- | 38.00 | ||
| 31-37. | Left axle shaft with inboard CV joint | -- | -- | 75.00 | ||
| - | Right axle shaft with inboard CV joint ......(not shown, contains | -- | -- | 125.00 | ||
| ..........vulcanized torsional dampner) | ||||||
| 12-15. | Right stub axle with bearing and support | -- | -- | 95.00 | ||
| 26. | Outboard CV joint | -- | -- | 75.00 | ||
| Illustration of above items |
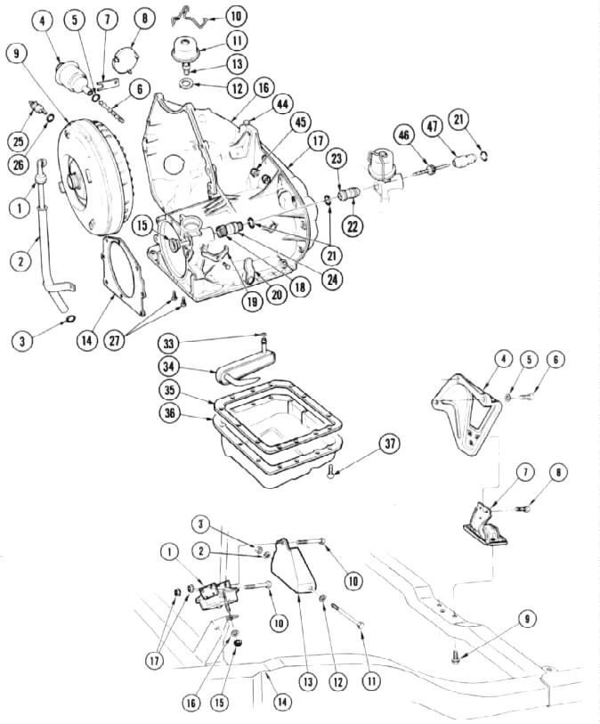
Transmission parts and linkages
| 1. | Transmission dip stick | -- | -- | $25.00 | ||
| 2. | Transmission dip stick tube | -- | -- | 25.00 | ||
| 4-6. | Vacuum modulator with valve | -- | -- | 35.00 | ||
| 11-13. | Governor with driven gear | -- | -- | 35.00 | ||
| 18. | Pinion gear and shaft for speedometer | -- | -- | 30.00 | ||
| 22-23. | Speedometer driven gearshaft with seal | -- | -- | 28.00 | ||
| 34. | Filter | -- | -- | 28.00 | ||
| 36. | Transmission oil pan | -- | -- | 35.00 | ||
| 46. | Speedometer cruise control gear | -- | -- | 28.00 | ||
| 47. | Speedometer driven gear sleeve ........(to speedometer head) | -- | -- | 22.00 | ||
| -- | Flywheel inspection plate cover | -- | -- | 45.00 | ||
| 1. | Engine front mount .........(cushion) | -- | -- | 48.00 | ||
| 7. | Engine/transmission rear mount | -- | -- | 58.00 | ||
| Illustration for above parts | ||||||
| - | Lower shift linkage assembly | -- | -- | 58.00 | ||
| Illustration for shift linkage assembly |
If you wish to e-mail us, our e-mail address is dbaers2@cadillacville.com . If you wish to get a prompt response, it's best to call us at 360-785-4133. For instructions on how to order, click here.
Click here to return to www.cadillacville.com homepage