1971 - 1972 Eldorado
Shop Our New Online Cadillac Parts Store at https://shopcadillacville.com
Thousand's of Parts Available

How to order and pay

 

Front bumper

 

 

Prices are for each, unless otherwise noted.

 

Quality Grade
Quality level explanation

  _____5 __ _____4 __ _____3 __ _____2 __ _____1
Front bumper assembly .......(complete) -- -- 1000.00 1200.00 1500.00
Front bumper center bar -- -- 150.00 175.00 200.00
Front bumper intermediate section......(fits between -- -- 50.00 75.00 100.00
.......center bar and bumper end)
Bumper guard .......(each) -- -- 50.00 75.00 100.00
Guard impact strip '71 Black style --   75.00   95.00   125.00   150.00
......(best we have will have a little scuffing along bottom,                  
.......will display nice on car)
Front bumper guard impact strip '72 style .... (NOS) -- -- -- -- 165.00
Guard impact strip '72 Black w/ White Stripe style 75.00 95.00 125.00 --
......(best we have will have a little scuffing along bottom,
.......will display nice on car)
Left bumper end  -- -- 75.00 95.00 125.00
Left bumper end impact strip -- -- 125.00 150.00 175.00
Right bumper end -- -- 95.00 125.00 150.00
Right bumper end impact strip -- -- 125.00 150.00 125.00
Illustration of 1971 front bumper assembly
Illustration of 1972 front bumper assembly

If a part doesn't have a price filled in yet, It doesn't mean we don't have that item.

Front grill and lights

dbaer's cadillacville specializes in original Cadillac parts. Our extensive inventory of retired Cadillacs allows us to offer a variety of conditions, ranging from average driver to excellent. Of course, for higher quality you pay a higher price.

Headlight housing assembly -- -- -- 95.00 125.00
Headlight door ......(chrome piece around headlights) -- -- 45.00 55.00 65.00
Headlight upper molding .......(mounts on hood) -- -- 55.00 75.00 95.00
Park/turn light lens --   --   75.00   95.00   125.00
Park/turn light lens chrome bezel --   --   55.00   65.00   75.00
Park/turn signal light bulb housing -- -- -- -- 55.00
Park/marker light lower filler .......(new aftermarket -- -- -- -- 28.00
.........ABS plastic)
Front park/marker light bulb housing -- -- -- -- 55.00
Fiber Optic Wire Set

Per Side

--

--

-- 58.00
Fender die-cast extension -- -- 75.00 95.00 125.00
Grill -- -- 150.00 175.00 195.00
Grill lower valance/filler .......('71 Eldorado, plastic, have  -- -- 75.00 95.00 --
..........some with minor,  repairable cracks, none completely nice)

 

Fenders and hood

 

Fenders

1. Fender --   --   250.00   295.00   350.00
16. Fender diecast extension  --   --   75.00   95.00   125.00
22. Fender aft lower molding -- 22.00 29.00 39.00 49.00
23. Fender aft lower molding clips .......(each) -- -- -- -- 12.00
Power antenna assembly ........(price does not include  -- -- -- -- 150.00
...........$35.00 core charge)
Power antenna 2-piece bezel -- -- -- -- 25.00
24. Fender "8.2 Litre" emblem ........('71 style) -- -- 35.00 45.00 55.00
26. Fender "8.2 Litre" and body side molding .....('72  -- -- 55.00 75.00 95.00
........style)
Illustration of fender

Hood

Hood Ornament .....(w/ spring & clip)
.......................deVille style 35.00 45.00 55.00 75.00
.......................Fleetwood style 45.00 55.00 75.00 95.00 125.00
Illustration of Hood Ornament styles
Headlight upper molding .......(mounts on hood) --   --   55.00   75.00   95.00

Prices and availability subject to change without notice.

Doors ...........(for interior trim see Interior)

 

Left or right stripped door shell   Cpe and Convt -- -- 150.00 195.00 250.00
          weighs approximately 110 pounds

Featured Item

1971-78 Eldorado RH Outer Door Panel (2).JPG (556460 bytes)

Right Door Skin NOS 150.00

See Pictures    ------------------>      

   
   
Left and right door weatherstrip
      CLOSEOUT SPECIAL .......One pair only -- Per Pair 78.00
         Top Quality "Steele Rubber Products"
   
                     
Door glass ........(left or right, coupe, not convertible) -- -- -- 75.00 95.00
Door glass ........(convertible, left or right) -- -- -- -- 175.00
Window motor 48.00
Left rear view mirror.....(non-thermometer style) --   --   75.00   95.00   125.00
Left rear view mirror.....(thermometer style) 95.00 125.00 150.00 175.00
Working thermometer 48.00
Non-working thermometer.....(still looks nice) 22.00 32.00
Right rear view mirror --   --   125.00   150.00   175.00
Left door latch -- -- -- -- 38.00
Door hinges .......(each) -- -- -- -- 48.00
Body side molding .........(each side, very thin, dents easy) -- 75.00 95.00 125.00 150.00
Door body side molding clip set .......(each side) -- -- -- -- 35.00
Power lock actuator solenoid 58.00
Body, roof and glass

 

Rocker molding .......(L or R, each) --   95.00   125.00   150.00   175.00
Convertible Top Assembly
.........Latch ..... (L or R, each) 95.00
Convertible Quarter Window
........Glass 150.00
........Glass leading edge seal molding 48.00
........Glass leading edge weatherstrip seal .......(Each)

NEW

36.00
........Glass leading edge weatherstrip seal ...... (Pair)

NEW

51.00
........Regulator 75.00
........Motor 48.00
........Guide assembly 75.00
........Bracket w/ nylon guide blocks 95.00
........Belt-line inside weatherstrip --
........Belt-line outside weatherstrip --
........Quarter window stud/roller 58.00
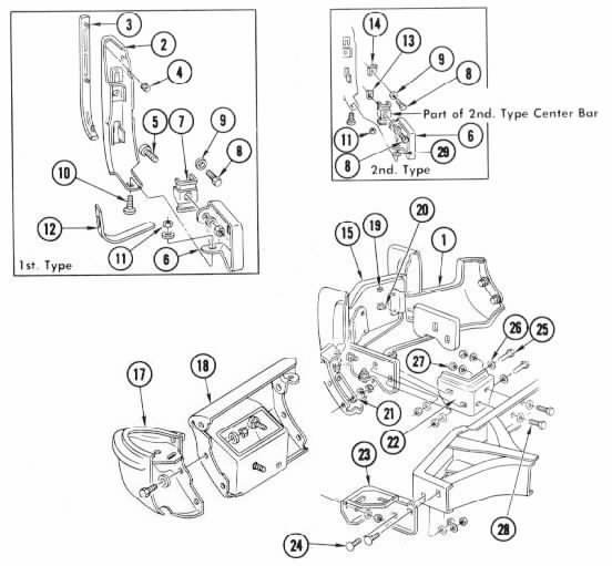
Illustration for guide and bracket
Illustration for quarter window assembly

These are the most requested items. Feel free to inquire about items not listed.

Quarter and trunk

 

Quarter window outboard lower molding -- -- 45.00 55.00 65.00
Left skirt ........(without molding) -- -- 75.00 100.00 125.00
Left skirt lower outline molding -- -- 35.00 45.00 55.00
Left skirt fwd block molding 17.00 22.00 27.00
Right skirt .......(without molding) -- -- 100.00 125.00 150.00
Right skirt lower outline molding -- -- 35.00 45.00 55.00
Right skirt fwd block molding 17.00 22.00 27.00
 
Quarter painted die-cast extension 55.00 65.00 75.00
Extension rubber filler 100.00 125.00
 
Trunk pull down cylinder .......(mounts near trunk hinge) --   --   --   --   45.00
Trunk weatherstrip ..........(NEW) --   --   --   --   49.00
Trunk lock cover assembly .....(with new crest) 125.00
Trunk lock cover assembly .....(used) -- -- 55.00 75.00 95.00
 
 
 
Trunk release cable --   --   --   --   75.00
Trunk release cylinder --   --   --   --   55.00
 
Illustrations of trunk pull down and power release systems

Terminology has been dbaerized.

Rear bumper

 

Rear bumper assembly ......(complete) --   --   1250.00   1500.00   1900.00
Center bar --   195.00   250.00   295.00   350.00
Reflector with bezel .......(each) --   --   45.00   55.00   75.00
Left end --   --   125.00   150.00   175.00
Left end impact strip --   --   125.00   150.00   175.00
Left tail light lamp housing --   --   --   --   65.00
Left tail light lens --   --   55.00   65.00   75.00
Left tail light 2-piece bezel --   --   75.00   95.00   125.00
Right end --   --   150.00   175.00   200.00
Right end impact strip --   --   125.00   150.00   175.00
Right tail light lamp housing --   --   --   --   65.00
Right tail light lens --   --   55.00   65.00   75.00
Right tail light lens 2-piece bezel --   --   75.00   95.00   125.00
Rear bumper rubber support blocks .......(each)
Illustration of rear bumper assembly

 

Rear lights and fillers

 

Lights

Tail light lens -- -- 55.00 65.00 75.00
Rear lights wiring harness --   --   --   --   65.00
License plate light lens --   --   --   --   35.00
Back-up light chrome bezel -- -- -- 35.00 45.00
Fiber Optic Wire Set

Per Side

--

--

-- 58.00

Fillers

Rear bumper/license plate lower filler .......(new  --   --   --   --   65.00
........aftermarket ABS plastic)                  

Price and availability subject to change without notice.

Engine and drive train

Engine

Electrical

 

Quality Grade
Quality level explanation

  _____5 __ _____4 __ _____3 __ _____2 __ _____1
                   
                   

Fuel and cooling

Carburetor .......(used, but nice condition) --   --   --   --   125.00
Cooling fan ........(flex type, non-clutch) --   --   --   --   65.00
Cooling fan ........(clutch type, without clutch) -- -- -- -- 55.00
Cooling fan clutch -- -- -- -- 35.00

Engine heads, block, and manifolds

Left exhaust manifold ....Remanufactured... Has original --   --   --   --   295.00
........casting numbers and markings.
........(Price does not include $45.00 core charge. Core charge 
........is refunded when a remanufacturable core is returned. 
........Usable core is not broken in half, or have more than 
.......two cracks, or have a crack that shows signs of metal 
.......flaking/corrosion)
Left exhaust manifold ...Nice used original (see above  -- -- -- -- 225.00
.........for core details)
Left exhaust manifold .....New Aftermarket..... 275.00
.....Does not have original numbers, etc. No core charge, but
.....I will pay $45.00 for good original core.
Right exhaust manifold --   --   --   --   125.00
Engine front mount ......(revulcanized rubber, price does not -- -- -- -- 125.00
 ............include $50.00 core charge)
Timing cover plate 95.00

Transmission

                   
                   

Final drive and front axles

Final drive -- -- -- -- 125.00
Final drive front cover -- -- -- -- 35.00
Front hub ........(inspected for tolerance by machine shop) -- -- -- -- 150.00
Axle shaft outboard castle nut and washer --   --   --   --   38.00
Left axle shaft with inboard CV joint --   --   --   --   75.00
Right axle shaft with inboard CV joint .......(with good -- -- -- -- 125.00
............ torsional dampener)
Outboard CV joint -- -- -- -- 75.00

If a part doesn't have a price filled in yet, It doesn't mean we don't have that item.

Steering, front suspension, and brakes

Steering, front and rear suspension, brakes, and wheel/wheelcovers, CLICK HERE

Terminology has been dbaerized.

Interior pieces

 

Dash and column

Cruise control switch -- -- -- -- 55.00
Dash upper pad -- -- -- 295.00 350.00
Lower dash woodgrain panel -- -- 95.00 125.00 150.00
Neutral safety switch ..........(price does not include $15.00  --   --   --   --   95.00
.........core charge) ..... (Standard or Tilt-tele column)                  
Steering column ........(tilt and telescope, with key, without  -- -- -- -- 250.00
..........levers, etc.)
Steering wheel .......... (color, maybe available) -- -- -- -- --
See Pictures
Dash speaker/defrost grills .......(stereo, each grill) -- -- -- 35.00 45.00
Headlight switch  --   --   --   --   45.00
Glove box lock ......(without tumblers/key) --   --   --   --   35.00
Right rear view mirror joystick attachment piece -- -- -- -- 45.00
This is a list of the radios Cadillac listed for this year/model, inquire for availability and/or price.
AM/FM mono radio -- -- -- --
AM/FM stereo radio with signal seek -- -- -- --
AM/FM stereo radio with 8-track -- -- -- -- 295.00
Fuse Block 125.00

Seats

Seat motor -- -- -- -- 55.00
6-way seat transmission -- -- -- -- 65.00
6-way seat relay -- -- -- -- 35.00
Seat 6-way track assembly ........(each) -- -- -- -- 65.00
Seat 6-way track assemblies .......(one pair) -- -- -- -- 95.00
Individual gear nut ........(front or rear jack device) -- -- -- -- 35.00
                   
                   

Door interior

Left door upper pad -- -- -- -- 125.00
Right door upper pad -- -- -- -- 125.00
Left door lower panel 195.00
Right door lower panel -- -- -- -- 175.00
                   
Good core for recovering                
                125.00
                 
                   
                 
                 
Featured Item            
1976 Eldorado Door Lower Panel           Pair:   495.00
   Left and Right Available!!!                
See Pictures    ----------->                
                 
    
Door upper woodgrain panel -- -- -- -- 55.00
Left door pull strap -- -- 48.00 58.00 78.00
Right door pull strap 48.00 58.00 78.00
Door pull strap end caps ........(each '71 style) -- -- -- -- 12.00
Door pull strap end caps .......(each '72 style) -- -- -- 25.00 35.00
Windshield wiper switch -- -- 45.00 55.00 65.00
Left four button window switch ......(price does not include  --   --   --   --   58.00
.....$22.00 core charge. Will be refunded to customer upon return ......of old switch, provided it is a usable core)                  
One button window switch -- -- -- -- 20.00
Window motor 48.00

Interior side panels and moldings

Convertible rear armrest courtesy light chrome housing             35.00   45.00

 Convertible rear armrest courtesy light chrome lens

               45.00    55.00

These are the most requested items. Feel free to inquire about items not listed.

Accessories

For Climate control, Twilight sentinel - Auto dimming, Ride Leveling, Cruise Control, Wipers, and other accessories CLICK HERE

Prices and availability subject to change without notice.

Literature, models, and mobilia

 

1971 Shop Manual.jpg (3053144 bytes)

     
1971 Cadillac Shop Manual      
     
     
     
     
1972 Shop Manual 72 shop manuals.jpg (2856349 bytes)      
     
1972 Fisher Body Service Manual      
     
     
Shop manual......(1971, nice cover and pages)     --   --   65.00
     

 dbaer only deals in original Cadillac parts and literature

     
                 
     Low price is for ideal copy for workbench or under the hood        
     Middle price is a nicer copy            
     Top price is like new or equivalent              

 

If you want to contact dbaers, click Home link below.

Click here to return to www.cadillacville.com homepage

 

 


Free counters provided by Honesty.com.