1971 - 1972 Cadillac

This listing only covers the most frequently requested parts for this year of Cadillac. If the item or items you are looking for are not shown, please email us at faded.fins@yahoo.ca for price and availability. Cadillacville has an extensive inventory. International orders welcome.

Shop Our New Online Cadillac Parts Store at https://shopcadillacville.com
Thousand's of Parts Available

How to order and pay

 

Front bumper

 

 

Prices are for each, unless otherwise noted.

 

Quality Grade
Quality level explanation

  _____5 __ _____4 __ _____3 __ _____2 __ _____1
Left bumper end -- -- -- 125.00 150.00
Right bumper end -- -- -- 125.00 150.00
Center bar -- -- 200.00 250.00 300.00
End impact strip ..(each, used in 1972 only)     (Original) --   --   55.00   75.00   95.00
  

Featured Item

1972 deville frnt bumper right impact strip lead.JPG (97496 bytes)

1972 bumper end impact strip NOS -- 150.00

       See Pictures    ======>      

  
Front bumper guard .......(each) -- -- 95.00 115.00 125.00
Front bumper guard impact strip '72 style .... (NOS) -- -- -- -- 95.00
Front bumper guard impact strip ......(best we have,  -- 28.00 45.00 -- --
.........will have some minor damage, but are straight, could 
.........probably be repaired with some black silicone)
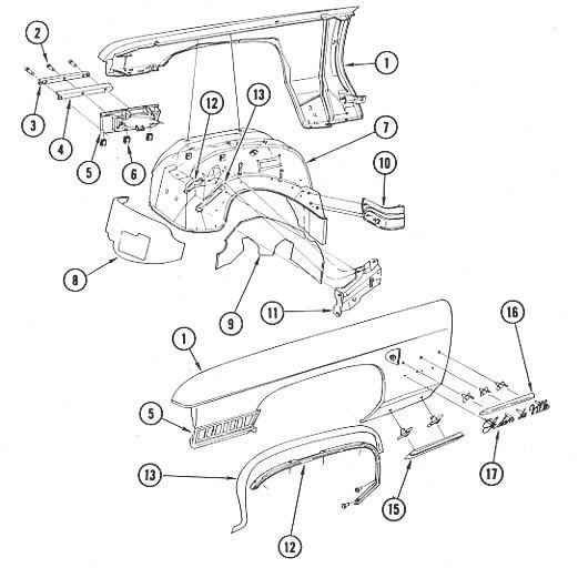
Illustration of 1971 front bumper assembly
Illustration of 1972 front bumper assembly

If a part doesn't have a price filled in yet, It doesn't mean we don't have that item.

Front grill and lights

dbaer's cadillacville specializes in original Cadillac parts. Our extensive inventory of retired Cadillacs allows us to offer a variety of conditions, ranging from average driver to excellent. Of course, for higher quality you pay a higher price.

Headlight chrome door --   --   --   28.00   38.00
Marker/corner light lens -- -- -- 55.00 65.00
Marker/corner light bezel
Marker/corner light housing
Fiber Optic Wire Set

Per Side

--

--

-- 58.00

 

Fenders and hood

 

Fenders

1. Fender ........(without moldings, etc.) --   --   195.00   250.00   295.00
   "Coupe" script .... 1971 only -- -- 22.00 28.00 38.00
   "Sedan" script .... 1971 only -- -- 22.00 28.00 35.00
   "deVille" script .... 1971 only -- -- 22.00 28.00 35.00
   "Calais" script .... 1971 only -- -- -- 35.00 45.00
12. Wheel opening molding -- -- 45.00 55.00 65.00
15. Aft lower molding -- -- -- 35.00 45.00
      Aft lower molding clips .......(tend to rust away easily) -- -- -- -- 12.00
16. Body side molding .......(non vinyl inlay style) 25.00 35.00
      Monitor light cap --   --   --   --   20.00
Power antenna assembly  ..........(nice working assembly)  -- -- -- -- 175.00
.........(Price does not include additional $35.00 core charge)
Power antenna 2-piece bezel -- -- -- -- 35.00
Illustration of fenders

Hood

Hood .......(without moldings, etc.) --   --   195.00   250.00   295.00
Hinge assembly .......(each) --   --   --   --   65.00
Hood Ornament .....(w/ spring & clip)
.......................deVille style 35.00 45.00 55.00 75.00
.......................Fleetwood style 45.00 55.00 75.00 95.00 125.00
Illustration of Hood Ornament styles

Prices and availability subject to change without notice.

Doors ...........(for interior trim see Interior)

 

Left and right door weatherstrip

NEW Per Pair 150.00
              Special.......One pair only
Left door rear view mirror.....(non-thermometer style) 75.00 95.00 125.00
Left door rear view mirror.....(thermometer style) 95.00 125.00 150.00 175.00
Working thermometer 48.00
Non-working thermometer.....(still looks nice) 22.00 32.00
Right door rear view mirror.....(remote) 110.00 135.00 165.00 195.00
Left door .......(complete, without interior panels, etc.) --   --   --   --   750.00
Door glass .......(coupe, left or right) -- -- -- 75.00 95.00
Door window motor -- -- -- -- 48.00
Door window regulator 75.00
Door body side molding .......(coupe) -- -- 45.00 55.00 75.00
Door lower molding -- -- 35.00 45.00 55.00
Door lower molding clips
Door hinges ........(each, upper and lower, nice used) --   --   --   --   45.00
Rear door window vertical leading edge weather strip (each) 29.00
............(seals to front door window) (pair) 48.00
....Chrome molding for above weather strip 28.00 38.00
Power lock actuator solenoid 58.00
Body, roof and glass

 

Windshield 195.00
'Coupe deVille' .... 1972 only .... (located on sail panel) 22.00 28.00 38.00
'Sedan deVille' .... 1972 only .... (located on sail panel) 22.00 28.00 35.00
Halo top molding front corner piece with clip --   --   --   --   35.00
Halo top molding sail panel vertical piece --   --   --   --   45.00
Rocker molding .......(L or R, each) -- -- 125.00 150.00 175.00
Quarter window vertical leading edge weather strip (each) 29.00
...........(seals to front door window) (pair) 48.00
....Chrome molding for above weather strip 28.00 38.00
Back glass 150.00
Back glass w/ defogger 225.00

These are the most requested items. Feel free to inquire about items not listed.

Quarter and trunk

 

Quarter window motor -- -- -- -- 48.00
Quarter window outside molding set ....(limousine, only  --   --   --   --   --
.......forward vertical piece still available)                  
Body side molding .......(coupe) -- -- 125.00 150.00 195.00
Body side molding die cast extension -- -- 35.00 45.00 55.00
-- -- -- 25.00 30.00
-- -- -- 20.00 25.00
-- -- -- 30.00 35.00
Skirt ........(without moldings, each) -- -- 80.00 100.00 125.00
Skirt lower outline molding -- -- 35.00 45.00 55.00
Skirt fwd & aft block moldings 22.00 27.00 32.00
Trunk lip molding -- -- 35.00 45.00 55.00
Trunk lip molding outboard extensions .......(each) -- -- -- -- 20.00
Trunk lock NEW CREST........(deVille and Calais) 95.00
Trunk lock cover assembly ........(deVille and Calais, new --   --   --   --   150.00
......crest on nice original base)
Trunk lock cover assembly ........(deVille and Calais, nice -- 55.00 75.00 95.00 --
......used crest, best will have some fading)
Trunk lock cover assembly ....(Fleetwoods with new crest) 125.00
Trunk lock cover assembly .........(Fleetwoods, used) 55.00 75.00 95.00
Trunk "Cadillac" script -- -- -- 40.00 45.00
Trunk "FLEETWOOD" letters .......(each letter) -- -- -- 14.00 16.00
Trunk weatherstrip ..........(NEW) -- -- -- -- 49.00
Trunk latch release solenoid -- -- -- -- 55.00
Trunk pull down assembly ........(price does not include  -- -- -- -- 125.00
........$25.00 core charge)
Trunk release cable --   --   --   --   75.00
Trunk release cylinder --   --   --   --   55.00
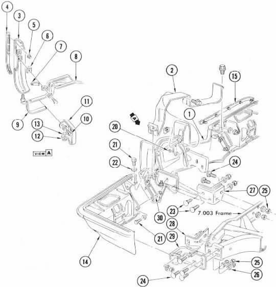
Illustrations of trunk pull down and power release systems

Terminology has been dbaerized.

Rear bumper

 

Rear bumper center bar  -- -- 295.00 350.00 395.00
Rear back up light lens assembly .......(each) --   --   --   35.00   45.00
Left end -- -- 100.00 125.00 155.00
Right end -- -- 120.00 145.00 175.00
                   
Rear bumper back-up light aluminum escutions Original   55.00   65.00   75.00   --
                   
Featured Item                  
Rear bumper back-up light aluminum escutions Restored 98.00
See Pictures  ----------->                 SOLD   Each
         
Illustration of rear bumper assembly

 

Rear lights and fillers

 

Lights

Taillight lamp housing --   45.00   55.00   65.00   75.00
Taillight lens -- -- 55.00 75.00 95.00
 

Featured Item

Taillight lens

NOS

See Pictures ------------->     

Taillight lens bezel -- 45.00 55.00 65.00 75.00
 

Featured Item

1971-72 Cadillac Deville RH backup ASSM (2).JPG (510354 bytes)

1971-72 Deville Right Hand Backup Light Assembly

NOS

See Pictures ------------->     

Fiber Optic Wire Set

Per Side

--

--

-- 58.00
Illustration of rear bumper and taillights                  

Fillers

                   
                   

Price and availability subject to change without notice.

Engine and drive train

Engine

Electrical

 

Quality Grade
Quality level explanation

  _____5 __ _____4 __ _____3 __ _____2 __ _____1
                   
                   

Fuel

Choke stove .......(mounts on intake manifold) --   --   --   --   45.00
Carburetor ......(nice used) --   --   --   --   125.00

Engine heads, block, and manifolds

Left exhaust manifold --   --   --   --   175.00
Right exhaust manifold --   --   --   --   125.00
Exhaust Y-pipe .........(connects both exhaust  manifolds) -- -- -- -- 65.00
Oil pick up tube -- -- -- -- 95.00

Transmission

                   
                   

Drive shaft and rear end

Drive line .....(deVille, Calais) --   --   --   --   95.00
Drive line .......(Fleetwood) -- -- -- -- 125.00
Drive line forward or aft CV joint 45.00
Third member --   --   --   --   125.00
 

Featured Item

71-2 Cad 72 Olds 71-3 Buick Rear U joint with clips (2).JPG (501310 bytes)

Rear Original 'U' Joint

NOS

See Pictures  -------------------->         

 

If a part doesn't have a price filled in yet, It doesn't mean we don't have that item.

Steering, front suspension, and brakes

Steering

Steering gear box -- -- -- -- 125.00
Pittman arm -- -- -- -- 45.00
Tie rod assembly -- -- -- -- 65.00
Center link ......(nice used) --   --   --   --   125.00
Power steering pump pulley ........(2-groove) --   --   --   --   32.00
Power steering pump mounting bracket -- -- -- -- 35.00

Suspension

                   
                   

Brakes

Track Master-

95.00
        Brake control switch
        Mounts on frame
Power brake booster .......(nice used) --   --   --   --   125.00
Combination valve  --    --    --    --    68.00
Wheels and wheelcovers

 

Wheel cover .....(standard type) --   --   45.00   55.00 75.00
                 

Terminology has been dbaerized.

Interior pieces

 

Dash and column

Dash pad ......( mono ) -- -- -- 195.00 250.00
Dash pad ......( stereo ) --   --   --   195.00   250.00
Dash pad .......Left Defroster/Speaker Grille --   --   --   55.00   75.00
Dash pad .......Right Defroster/Speaker Grille --   --   --   55.00   75.00
                   
Dash pad ......Pair L & R Defroster/Speaker Grilles --   --   --   95.00   125.00
                   
Clock ...........( Looks good, smells good, sold as-is.
.............................Might work, some people have them
.............................converted to quartz movement )
-- -- -- -- 55.00
                   
                   
Steering column ........(tilt/telescoping, basic column -- -- -- -- inquire
...........without levers, switches, etc)
                   
                   
                   
                   
Steering wheel .........(color needed)         295.00   350.00   395.00
                   
                   
Featured Item            
1977-78 Steering wheel   -- -- 195.00
Color:  red             See Pictures ----------->             
 
  

Featured Item

           
1977-78 Steering wheel   --   --   195.00
              Color:  blue-green       See Pictures ----------->             
                   
                   
Featured Item 79 steering wheel...redo redo.JPG (616562 bytes)            
1979 Steering wheel         Burlwood woodgrain   --   --   395.00
                Color:  gray             See Pictures ----------->             
                   
Horn pad assembly ........(color needed)         55.00   75.00   95.00
llustration for above parts                  
                   
Steering wheel .......... (color, maybe available)         --   --   --
See Pictures                  
                   
                   
                   
                   

Featured Item

1969-1971 Cadillac Turn Signal Switch With Tilt And Tele (2).JPG (606346 bytes)

1971 Turn Signal Switch for Tilt/Tele NOS 150.00

See Pictures  ------------->    

  
                   
                   
Neutral safety switch --   --   --   --   145.00
.........(4-wire or 6-wire) ..... (Standard or Tilt-tele column)                  
           
 
Right door rear view mirror remote mounting panel -- -- -- -- 45.00
Center rear view mirror.....(71 only has stainless housing) 58.00 75.00 95.00 125.00
Center rear view mirror.....(72 has black housing) 45.00 55.00 65.00 75.00
This is a list of the radios Cadillac listed for this year/model, inquire for availability and/or price.
AM/FM mono radio -- -- -- --
AM/FM stereo radio with signal seek -- -- -- --
AM/FM stereo with 8-track -- -- -- -- 295.00
Fuse Block 125.00

Seats

Seat motor -- -- -- -- 55.00
6-way seat transmission -- -- -- -- 65.00
6-way seat relay -- -- -- -- 35.00
Seat 6-way track assembly ........(each) -- -- -- -- 65.00
Seat 6-way track assemblies .......(one pair) -- -- -- -- 95.00
Individual gear nut ........(front or rear jack device) -- -- -- -- 35.00
Front Seat Upper Release Mechanism Each -- -- 42.00 55.00
  

Featured Item

early mid 70s floor mats (2).JPG (610808 bytes)

Cadillac Floor Mats

NOS

49.00

See Pictures  -------------->    

  

Door interior

Left door upper panel     --   --   --   150.00
Right door upper panel -- -- -- 125.00
Woodgrain panel -- -- -- 95.00
                   
Left door lower panel                 195.00
Right door lower panel                 175.00
                   
             
Good core for recovering           125.00
             
                   
Window motor -- -- -- -- 48.00
Left four button window switch ......(price does not include  58.00
.....$22.00 core charge)
Right front door lower panel .......(Sedan) --   --   --   --   95.00
Left door pull strap -- -- 48.00 58.00 78.00
Right door pull strap 48.00 58.00 78.00
                 
     
Featured Item    
Coupe/Eldorado Door Lower Panel   Pair:   550.00
   Left and Right Available!!!        
See Pictures    ----------->        
  
  
Sedan left front door panel lower ... (arm rest & lower) 150.00
Sedan right front door panel lower .. (arm rest & lower) 125.00
Sedan left rear door panel lower ... (arm rest & lower) 100.00
Sedan right rear door panel lower .. (arm rest & lower) 100.00

Interior side panels and moldings

                   
                   

These are the most requested items. Feel free to inquire about items not listed.

Accessories

Climate control

1. Condenser   --   --   $65.00
2. Heater turn on switch ..........(should be red)   --   --   25.00
4. Discharge hose   --   --   28.00
5. Liquid hose   --   --   35.00
6. Suction hose   --   --   38.00
7. Receiver, dehydrator   --   --   38.00
8. Evaporator core   --   --   55.00
9. Ambient sensor   --   --   30.00
10. Ambient switch   --   --   35.00
11. Blower motor   --   --   45.00
13. Vacuum motor ........(element)   --   --   35.00
14. Programmer .........(price does not include $35.00 core charge)   --   --   175.00
15. In car sensor   --   --   20.00
16. Heater core   --   --   55.00
17. Control head .........(price does not include $35.00 core charge)   --   --   100.00
18. Vacuum motor   --   --   35.00
19. Vacuum motor   --   --   35.00
20. Auto relay   --   --   28.00
21. Heater valve control   --   --   35.00
22. Low relay   --   --   28.00
24. A/C compressor with clutch and pulley   --   --   95.00
  Defroster mode flapper doors ......(difficult to remove)>   --   --   87.00
1971 Climate Control System
1972 Climate Control System

Twilight sentinel (T-82) - Auto dimming (T-80)

5. Lever T-80, T-82   --   --   $8.00
6. Lens   --   --   15.00
9. Potentiometer T-82   --   --   32.00
9a. Potentiometer T-80   --   --   32.00
11-13. Basic headlight switch   --   --   45.00
14. Photo eye with amplifier, matched set T-82   --   --   125.00
Twilight sentinel wire harness 35.00
14. Twilight sentinel system, complete   --   --   95.00
18. Photo eye assembly (at grill) T-80   --   --   38.00
19-21. Photo eye mounting assembly T-80   --   --   45.00
23. Guidematic relay T-80   --   --   38.00
24. Foot button switch with T-80   --   --   25.00
25. Fuse block   --   --   125.00
               
  Illustration for above parts            

Ride leveling system

1. Leveling compressor assembly ........(good working  -- --   --   --   $225.00
  .........compressor, we completely disassemble several             
.........compressors, then reassemble using the best parts, 
........then test thoroughly to make sure of dependable 
........operation. Price does not include $55.00 core charge)
4. Shock absorber -- --   --   --   95.00
6. Rear valve -- --   --   --   125.00
               
  Illustration of ride leveling system            

Windshield wipers

Windshield wiper switch --   --   45.00   55.00   65.00
Windshield washer fluid jug --   --   --   35.00   45.00
Windshield washer fluid level sensor/switch -- -- -- -- 48.00

Cruise

1. Turn signal arm with cruise button and wire ......(state color)   --   --   $55.00
3. Vacuum release valve assembly   --   --   22.00
5. Stop light switch   --   --   22.00
8. Dash switch and wire harness   --   --   58.00
9. Dash switch escution   --   --   20.00
10. Cruise transducer ......(main controller)   --   --   125.00
17-19. Control chain   --   --   22.00
21. Speedometer cable ........(transducer to speedometer head)   --   --   32.00
23. Speedometer cable ........(transducer to transmission)   --   --   35.00
24. Power unit .......(servo)   --   --   58.00
Picture of early (top) or late (bottom) style power unit
-- Cruise hold terminal resistance wire ........(should read 40 ohms)   --   --   35.00
  Illustration for cruise system            

Prices and availability subject to change without notice.

Literature, models, and mobilia

 

1971 Shop Manual.jpg (3053144 bytes)

     
1971 Cadillac Shop Manual      
     
     
     
     
1972 Cadillac Shop Manual 72 shop manuals.jpg (2856349 bytes)      
     
1972 Cadillac Fisher Body Service Manual      
     
     
Shop manual......(1971, nice cover and pages)     --   --   65.00
     

 dbaer only deals in original Cadillac parts and literature

     
                 
     Low price is for ideal copy for workbench or under the hood        
     Middle price is a nicer copy            
     Top price is like new or equivalent              

 

For instructions on how to order, click here.   

Click here to return to www.cadillacville.com homepage


Free counters provided by Honesty.com.